Recliner Chair Cables
Saho Group is a professional Recliner Cables & office chair cables supplier. We supply a range of release cables, recliner handle release lever, D-pull cables etc for recliner sofas and recliner chairs. And we also produce a lot of gaslift cables, Tilt lock cables, sliding cables, height adjustment cables etc for office chairs.
We have the most complete range of recliner cable & furniture cable molds in China. The Annual Production Capacity for these mechanical cables is over 35 Million pcs. That means we can produce your cables in a very short time with competitive price.
Our Clients





Our engineers also can customize these Motion furniture cables & office chair cables to fit your applications and meet your requirements. The following are some cables we have customized for our customers.
Table of Contents
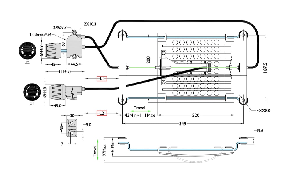
Cables for Recliner Chair
Our recliner cables used in typical reclining chair mechanisms; it has a cable system that operates the reclining mode. The lever lifts or releases the footrest manually via a cable and the chair tilts back. The arm turns a crank to lift the footrest and recline the chair.
Cables for Office Chair
Our furniture cables are mainly for office chair, the primary function is below:
- Lumbar system
- Armrest adjuste
- Height and tilt adjust
- Back locks controls
- Release
- Knob and handles




















